

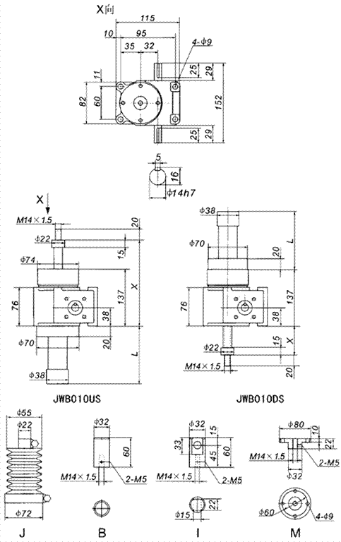
|
行程(mm)
|
US
|
DS
|
m(kg)
|
||||||||
|
X
|
X⑴
|
L
|
X
|
X⑴
|
L
|
||||||
|
MIN
|
MAX
|
MIN
|
MAX
|
MIN
|
MAX
|
MIN
|
MAX
|
||||
|
100
|
162
|
262
|
212
|
312
|
194
|
25
|
125
|
75
|
175
|
194
|
6.7
|
|
200
|
162
|
362
|
212
|
412
|
294
|
25
|
225
|
75
|
275
|
294
|
7.0
|
|
300
|
162
|
462
|
252
|
552
|
434
|
25
|
325
|
115
|
415
|
434
|
7.4
|
|
400
|
162
|
562
|
252
|
652
|
534
|
25
|
425
|
115
|
515
|
534
|
7.6
|
|
500
|
162
|
662
|
287
|
787
|
669
|
25
|
525
|
150
|
650
|
669
|
8.0
|
|
600
|
162
|
762
|
287
|
887
|
769
|
25
|
625
|
150
|
750
|
769
|
8.2
|
|
800
|
162
|
962
|
322
|
1122
|
1004
|
25
|
825
|
185
|
985
|
1004
|
8.9
|
|
1000
|
162
|
1162
|
352
|
1352
|
1234
|
25
|
1025
|
215
|
1215
|
1234
|
9.5
|
|
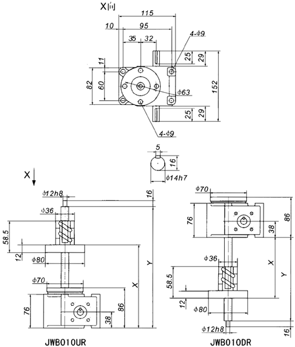
行程(mm)
|
UR
|
|||
|
X
|
Y
|
m(kg)
|
||
|
MIN
|
MAX
|
|||
|
100
|
108
|
208
|
265
|
5.9
|
|
200
|
108
|
308
|
365
|
6.1
|
|
300
|
108
|
408
|
465
|
6.4
|
|
400
|
108
|
508
|
565
|
6.6
|
|
500
|
108
|
608
|
665
|
6.8
|
|
600
|
108
|
708
|
765
|
7.0
|
|
800
|
108
|
908
|
965
|
7.4
|
|
1000
|
108
|
1108
|
1165
|
7.9
|
|
行程(mm)
|
DR
|
|||
|
X
|
Y
|
m(kg)
|
||
|
MIN
|
MAX
|
|||
|
100
|
69
|
169
|
179
|
5.9
|
|
200
|
69
|
269
|
279
|
6.1
|
|
300
|
69
|
369
|
379
|
6.4
|
|
400
|
69
|
469
|
479
|
6.6
|
|
500
|
69
|
569
|
579
|
6.8
|
|
600
|
69
|
669
|
679
|
7.0
|
|
800
|
69
|
869
|
879
|
7.4
|
|
1000
|
69
|
1069
|
1079
|
7.9
|

冀公網安備13092802000153號